Loading...

Design Tools

Lighting and Controls and Submetering

Lighting and controls design tools
ASAP designer

ASAP Designer

Leviton’s exclusive ASAP (online) point-and-click application allows you to quickly and simply design, specify, and enter orders for your lighting control projects. Create a complete submittal package in minutes and enjoy an unheard of seven-day turnaround time so you can deliver a complete lighting controls package to your customers in less time.

Occ Sensor Layout Request

Take advantage of Leviton’s exclusive sensor layout services online. Our team of experts create  sensor layouts directly on your CAD drawings complete with a List of Equipment at no cost to you. Average turnaround time is 3 business days* - best in the industry.

Occupancy sensor layout request
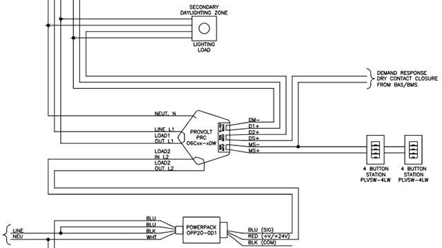
Drawings

Drawings

Access Leviton cookbooks, BIM objects, and additional tools for streamlined specifications and project inspiration.

Energy Management Resources

Leviton takes the guesswork out of code compliance with our IECC, ASHRAE 90.1 and Title 24 portals.

View Info
Energy management code resources
Title 24

Title 20/24

Energy efficiency is more than a single system. It requires a whole building approach. The basic goal of Title 24 energy standards is the reduction of energy use.

Made in USA | USMCA

Download our list of USMCA compliant products.

Made in USA | USMCA